1.
概述
VCORE转换器(调节器)是在台式个人电脑、笔记本式个人电脑、服务器、工业计算机等计算类设备中为CPU(中央处理器)内核或GPU(图形处理器)内核供电的器件,与普通的POL(负载点)调节器相比,它们要满足完全不同的需要:CPU/GPU都表现为变化超快的负载,需要以极高的精度实现动态电压定位 (Dynamic Voltage Positioning) ,需要满足一定的负载线要求,需要在不同的节能状态之间转换,需要提供不同的参数测量和监控。在VCORE转换器与CPU之间通常以串行总线接口进行通讯,CPU会根据其负荷和运行模式提出不同的供电要求。本文对VCORE转换器及其与CPU/GPU命令有关的特殊运行方式进行介绍。在立锜的VCORE类产品中,针对Intel和AMD CPU/GPU的产品均很丰富,为了使读者更容易选择符合自己需要的产品,特给出立锜产品与Intel/AMD不同计算平台之间的对应关系(见第7章)。
2.
VCORE转换器基础

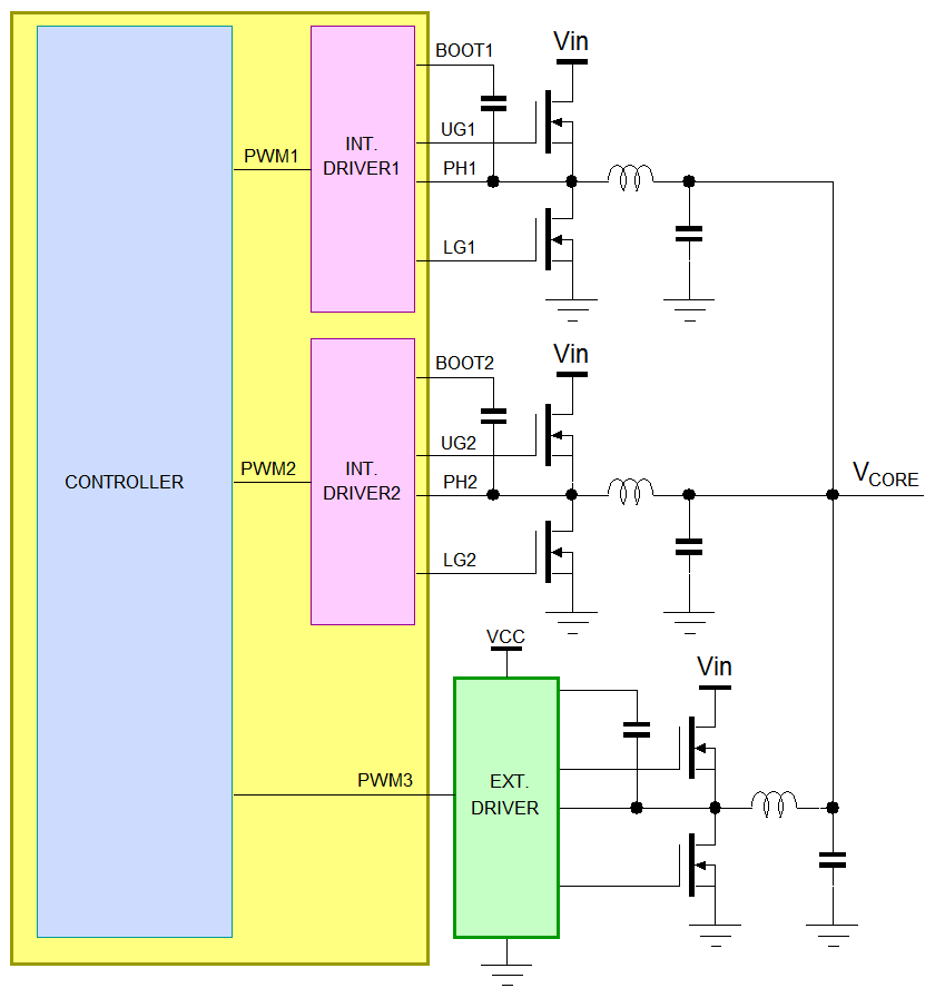
图1:VCORE转换器电路架构图
图1示范了最基本的与CPU连接在一起的VCORE转换器(常常简称为VCORE)的电路架构,它们通常由一个控制器和外置的功率级构成。CPU所消耗的电流实在太大,这样的搭配通常是最合理的。有的低功耗CPU只需使用单相的Buck转换器即可,但功耗大的就必须使用多相式Buck转换器了。在上图所示的电路中,功率级被分为3相,通常被用于台式个人电脑中,其正常运行温度下的负载电流大约为70A(Thermal Design Current,热设计电流,简称TDC,在此电流下运行时,所有部位、部件的运行温度都是可接受的——译注)。VCORE输出电压的检测位置是在CPU底座下,它也被用作转换器的反馈信号。
在CPU和VCORE转换器之间有几条通讯线,其中包含有时钟信号和数据信号构成的串行通讯总线,还有1或2条警告信号线,其作用是将调节器一侧所发生的一些特定状况通知CPU。CPU可以通过串行通讯总线向转换器发送特殊的命令,像电压的改变和设定特定的运行状态都要这样进行。CPU也可以要转换器报告一些信息,如电流消耗状况、功率级的运行温度等。不同的CPU平台有不同的通讯协议,对于Intel的CPU来说,VR12.1、VR12.5、IMVP8或IMVP9等是可选的;对AMD的 CPU来说则有SVI和SVI2可选,这样的信息在为自己的CPU选择相应的电压转换器时是必须要注意的。
VCORE转换器有很多用户可设置的参数,它们可以根据CPU的工作电压和性能需求进行选择,保护阈值以及转换器的响应特性也是可以进行精心调配的。由于要设置的参数很多,它们的值又都可根据需要进行设置,设计上就采用很多电阻分压器来完成对这些参数的设置。
对于VCORE转换器来说,精确测量每个相的电流是很重要的:向CPU报告电流消耗总量的时候需要它,使各相之间的电流维持平均分配需要它,为实现良好的回路特性控制、设定负载线 (Load Line) 和过流保护也需要它。
温度状态的监测是通过靠近功率级元件放置的NTC热敏电阻实现的,温度数据可让CPU随时读取,调节器本身也可在超过一定的温度阈值时发出报警信息。
有的计算平台会将CPU内核和GPU内核集成在单一的芯片中而形成所谓的加速处理单元 (Accelerated Processing Unit, APU),针对APU的VCORE转换器就会含有两组Buck转换器,其中一组为CPU内核供电,另一组为GPU内核供电,GPU内核的电流消耗通常小于CPU内核,因而其使用的相数通常也要少些,图2显示的就是一个为APU供电的电源解决方案的例子。APU与电压调节器之间的通讯也使用串行总线,这时候的命令中就会包含地址信息以区分CPU内核和GPU内核,除此以外的很多功能都与普通的CPU/GPU系统类似。

图2:APU供电系统架构图
3.
VCORE转换器在设计上的独特性
虽然同为Buck转换器,VCORE转换器的设计与普通的Buck转换器有很大的不同,这是因为VCORE电源需要满足很多特别的需求。
运行中改变电压——动态电压定位 (Dynamic Voltage Identification, DVID):
VCORE电源设计中很重要的考虑因素是平均功率消耗和热管理问题:CPU在较高的电源电压下工作得更好,但这也相应地提高了它的功耗和发热量。当一款CPU工作在某个的特定速度下时,代表相应的内核工作电压的VID代码也会被给出来。为了让CPU在不超出其功率耗散能力的情况下表现出最好的性能,供给CPU内核的电压就要相应地做出改变。在空闲模式下的CPU运行速度很慢,这时候可以将其工作电压降下来以降低其消耗;当CPU的任务突然增加时,给它供应的电力也必须突然增加以确保其可以表现出超强的性能,这在一些敏感应用中是尤其重要的。由于VID的改变是动态的,转换器输出电压也必须以相应的速率动态变化而且精准地定位VID所对应的电压上,这样才能确保CPU的平稳运行。图3示范了DVID的表现,左图显示的是CPU发出了以较低的速率从1.8V改变到1.2V的DVID指令,转换器便根据该指令将电压缓慢降低到1.2V。当目标电压已经达成时,转换器通过将ALERT信号拉低以通知CPU,CPU便发出指令以清除该信号。Intel的CPU可以要求慢和快两种VID变化速度,图中右侧的图形即是快速变化的DVID命令示例,其电压变化速度为52mV/µs,符合Intel的规范。

图3:DVID的表现
用Richtek G-NAVPTM技术实现的可编程负载线(电压随载下降)
拥有高回路增益的理想转换器的输出电压在任何负载条件下保持平均输出电压的恒定(如图3左侧图所示),但在负载突然增加的时候,其输出电压会出现暂时的下坠,而在负载突然消失的时候,其输出电压又会出现短时的上跳尖峰。对于CPU内核电源来说,包含输出电压误差、纹波和负载突变所造成的尖峰在内的电源电压都必须高于CPU的最低工作电压以确保CPU不会挂掉,也不能高于其容许的最高工作电压以避免使CPU受损。为了符合这些要求,就需要使用大量的输出电容去吸纳这些波动。因此,我们就需要引入负载线技术使输出电压在负载电流增大时将输出电压降低,而在负载电流降低时将输出电压提高,以此避免对大量输出电容的使用,图4中间的图形对此进行了表达。图4右侧图是再加入VID偏移量以后的结果。

图4:负载线的特性
从表面上看,这种特性与取得好的电压调节特性的目的是背道而驰的,但它实实在在地提高了这些转换器在面临负载瞬变时的输出电压活动空间:轻载时的输出电压较正常值高,因负载突然增加所导致的电压下沉就不太容易造成输出电压低于CPU的最低工作电压下限的结果;重载时的输出电压较正常值低,因负载突然降低而造成的输出电压隆起就不太容易造成输出电压超出CPU的最高工作电压上限的结果。加入电压随载下降特性的结果是降低了对负载瞬变响应能力的要求,扩大了CPU的活动空间,降低了输出电容的使用量。
图5以实例示范了VCORE电压在70A电流快速跳变之下的变化情况,左边的图形是在没有使用电压随载下降(零负载线)特性的情况下得到的,由电压的下坠和隆起构成的变化范围很大;右侧的图形是在使用了2mΩ负载线和80mV VID偏移量的情况下得到的,由70A电流变化带来的电压静态变化幅度是70A*2mΩ = 140mV,由负载瞬间变化导致的电压变化范围明显降低了,降低了CPU出错或损坏的风险,CPU重载期间的低内核电压也降低了CPU的温度。

图5:负载线对负载瞬变特性的影响
电压随载下降特性有另外一个称呼:自适应电压定位 (Adaptive Voltage Positioning, AVP)。对于不同的CPU平台,不同的负载线最大值是需要特别定义的。
立锜科技的VCORE转换器都使用电流模式-固定导通时间 (current mode (CM) - Constant On Time (COT)) 控制技术完成基本的电压调节功能,其简化的系统框图显示在图6中。
|

图6:g-navp技术的控制回路
|
为了很容易地在转换器中加入负载线功能,立锜科技在VCORE转换器的控制回路中使用了被称为Green-Native AVP (G-NAVPTM) 的专有技术,它在电流模式控制回路中使用直流增益较低且可调的误差放大器以获得负载电流增大时输出电压自然降低的结果,与传统上使用高增益误差放大器于控制回路中的做法明显不同。
|
这种方法的使用简化了负载线功能的实施,用电流检测器的增益AI和误差放大器的增益AV即可定义出具体的负载线的值。降低误差放大器的增益也简化了误差放大器的补偿方法,其设计只涉及一个零点和一个极点。
用立锜快速响应 (QR) 技术提升动态负载调整能力:
CPU和GPU的运行具有极大的动态范围,它们在我们浏览一个互联网页面时通常只需做很少一点事情,但要打开一个大型的Excel文件或是播放高清视频就会突然给它带来巨大的负担,它们的功耗也因此而表现出巨大的差异,其电流消耗在100ns内发生其最大电流消耗量的80%的变化是很平常的事,因而也给VCORE转换器带来巨大的负载电流变化率,其在设计上就必须能够承担这样的动态变化范围,以便在极端的条件下也能确保CPU/GPU的运行不至于出现崩溃的现象。因此,在VCORE转换器的设计中,负载瞬变响应特性是众多关键指标中的一个重要项目。
为了改进VCORE转换器的负载瞬变承担能力,立锜在这些器件的CM-COT控制回路中增加了特别的快速响应 (Quick Response, QR) 网络,参见图7。
|

图7:增加了QR网络的控制回路
|
VCORE转换器的设计中,输出电压的取样信号总是被误差放大器用来和决定目标输出电压的DAC输出电压进行比较,误差放大器输出的COMP信号再和各相电流检测电路的输出总和进行比较。在稳定状态下,当COMP信号的幅度触及电流检测信号的谷底时,一次新的导通时段TON就会被触发。PWM信号占空比的改变是通过截止时间的改变来实现的,当输出电压因突然增加的负载电流而下降时,误差放大器输出的COMP电压就会提高,相应的TON脉冲就会增加。
|
这样的控制方法在突然增加的负载面前很难有所作为:
1. 误差放大器的带宽受限,对负载瞬变的响应速度受到限制;
2. 固定的导通时间只能传递有限的电流,不能满足过重负载的需求;
3. 相间轮流导通的机制延缓了动态响应的时间,空闲相只能眼看着负载增加而不能为之出力。
为了增加负载瞬变期间的响应速度和能量传输的能力,立锜科技在VCORE转换器中加入了另外的快速响应 (Quick Response, QR) 回路(上图中红色线框内的部分),可在输出电压发生突降时快速检测到这一事件,并在所有相中同时生成导通脉冲。快速响应回路的检测门限和响应的导通脉冲时长都是可以在IC端子上进行设定的,这就使得负载阶跃出现时功率级的表现是可以进行精确调节的,能将输出电压下沉幅度最小化。在图8显示的3相转换器的阶跃响应过程中,没有QR作用(仅仅依靠误差放大器回路,左图)和有QR作用(QR网络暂时将误差放大器的作用屏蔽而直接起作用,右图)的差异是明显的。在QR被使能的情况下,所有相都同时进入导通状态,增加了的导通脉冲使短期内传递的能量明显增加,使转换器的响应明显变快了,因而可以带来降低输出电压下沉幅度的效果。

图8:快速响应 (QR) 设计对负载瞬变响应特性的影响
由立锜CCRCOTTM拓扑带来的高输出电压精度和高系统效率:
CPU的工作电压需要在很宽的范围内可调,而且需要很准确,这就要求DAC转换器的精度要低达0.5%以下。在输出电压很低、误差范围又要求很低的情况下,转换器的输出电压纹波就要被很好地控制住,而这是由电感电流的波动幅度和输出电容的ESR共同决定的。
在固定工作频率的Buck转换器中,电感电流纹波峰-峰值在输入电压提高(如笔记本电脑的电源适配器插入供电)时或输出电压提高时(VID改变即可导致)便会加大,该数据有下述公式可以计算:

因此,固定频率的转换器设计会在不同的工作条件下表现出不同幅度的输出电压纹波。
在固定导通时间 (COT) 的Buck转换器中,电感电流纹波是这样的:

这说明标准的固定导通时间转换器在不同的工作条件下也会表现出不同幅度的输出电压纹波,同样会降低输出电压的精度。
立锜的VCORE转换器采用特殊的恒定电流纹波固定导通时间 (Constant Current Ripple Constant On Time, CCRCOT) 控制技术,它能在整个输入电压范围和输出电压范围内根据输入电压和输出电压的情况对TON进行调节以保持电感电流纹波(因而也就保持输出电压纹波)的恒定不变,因而能够获得很好的输出电压精度,其效果和作用如图9所示。

图9:VID改变时固定频率系统和CCRCOT系统对纹波的影响对比
CCRCOT系统所带来的另外一个好处是开关切换工作频率在较低的输入、输出电压下会自动降低,这又相应提高了系统的转换效率。由于VCORE电压低的时候正是系统以低功率工作的时候,因而CCRCOT系统能够帮助改善系统的轻载效率。
便携式系统一般都可以以适配器或电池作为电源来工作,而电池电压通常总是低于适配器电压的,CCRCOT系统在低输入电压下效率更高的特性也使得电池供电时的效率更高,因而可以延长电池使用时间。对于CCRCOT系统来说,它的最高工作频率总是出现在系统的高性能模式下,那时候的VCORE电压最高、输入电压最高,CPU所承担的任务也最有挑战性。
|

图10:固定频率系统与CCRCOT系统的效率比较
|
图10是500kHz固定频率系统和固定纹波系统之间的效率对照图,该固定纹波系统是按照与固定频率系统有相同的25A最大负载电流、最高输出电压进行设计的,从中可以看出CCRCOT系统在负载较低、输出电压较低时的效率(蓝色线)要高许多。
|
节能模式:
根据不同的运行状态,CPU可将VCORE转换器设定在不同的节能运行模式下,这些模式分别被定义为PS0、PS1、PS2和PS3。在PS0模式下,转换器的所有相都处于运行状态,这样就可以提供最大的输出能力。CPU给出的PS1命令则使转换器进入只有1相在运行的状态,其他相均被禁止以降低开关损耗。在PS2模式下,唯一在运行的相也从强制PWM模式切入二极管仿真 (Diode Emulation Mode, DEM) 模式以降低开关切换损耗,目的是在轻载模式下将功耗进一步降低。当进入PS3模式的时候,由VID所决定的内核电压被降到更低,转换器进入低静态电流模式,使得功率损耗最小化。图11显示的是从PS0切入PS1和从PS0切入PS2时各相工作状态的转变过程,由于COT转换器调节的参数是截止时间,在检测到电感电流触及零点时将下桥MOSFET开关功能禁止即可得到DEM模式。

图11:VCORE转换器的运行模式转换过程
单相或多相Buck转换器:
VCORE转换器要输出多大的电流是由CPU/GPU的类型以及应用所决定的,这又反过来影响了转换器的设计。低功率的CPU/GPU应用(如工业自动化应用)可能只需要低于10W的功率,这种地方就只需使用单相的Buck转换器。在高性能的消费类电脑中,CPU/GPU的功率有时会超过100W,由于它们的内核电压很低,因而电流消耗是很大的,超过100A是很容易的事,这时候就需要多相的Buck转换器,具体的相数就看最大电流消耗会有多少。在台式个人电脑中,每个相的热设计电流(TDC)通常被设计为20A ~ 25A,但到了小型的便携式应用中,每相所容许的电流就要低许多,因为要考虑到功率元件的尺寸和热限制。面对众多的不同要求,立锜科技针对每个应用平台都有很宽泛的产品线可供选择,这里面就包含了单相和多相的产品,有的集成了MOSFET驱动器,有的则将其外置。图12显示的是一个例子,应用的对象是Intel的Coffee Lake (CFL) S产品线,它们分为多种不同功率等级的各种APU。根据不同的效能、热量、空间和布局的考虑,用户可以根据相数、是否集成驱动器等因素从立锜VCORE控制器产品中为自己的CPU内核和GPU内核挑选适配的产品。

图12:立锜针对Intel COFFEE LAKE S产品线不同产品的VCORE转换器方案
4.
CPU电源也可以PMIC化
VCORE转换器通常只为CPU/GPU的内核提供电源,但某些小型的APU会把I/O端口和外设控制接口也集成到单一的芯片中使得它们成为所谓的片上系统(SoC)并常常被使用在小尺寸的设备如网络计算机、平板电脑和工业计算机中,因而对高度集成化的PMIC有了需求。以Intel提供的基于AtomTM的Braswell计算平台为例,立锜科技为这样的应用所提供的电源方案中就有下面几种,PMIC也包含在其中。
|

图13:分立式Braswell电源方案
|
图13所示的是分立式电源方案,其CPU内核和GPU内核均使用独立的Buck转换器,为DDR存储器供电的是12A的DDR电源解决方案,其他低电流的电压轨则使用独立的Buck转换器或线性稳压器。在这样的设计中,时序问题是很难解决的,那通常需要特别设计控制器来完成。它的另外一个问题是器件数量太多,而且各自独立运作,即使在待机状态下也在消耗电能,因而会表现出比较高的静态功耗。
|
|

图14:使用多输出IC的Braswell电源方案
|
在图14所示的方案中,所有的低功率电压轨都被集成到了单一芯片中,时序管理问题得到优化,待机功耗得到降低,大大延长了电池使用时间。RT5041的引脚设计根据Braswell SoC的设计进行了优化,非常方便PCB布局设计。由于使用CMCOT控制架构,瞬态响应特性得到了改善。
|
|

图15:使用PMIC的braswell电源方案
|
图15显示的是集成度最高的Braswell电源方案,它的所有电源需求都由RT5067A提供。在此实现中,电流较低的通道均使用被完全集成化的ACOT Buck功率级,具有极高的响应速度;为VCC、VGG和VDDQ提供大电流的通道则使用外置的MOSFET及其驱动器,从而实现了大电流功率级的最优化设计。该设计采用I2C接口与SoC进行通讯,替代了原有的VR12.1标准接口,在BIOS的即可完成设置。由于器件数量得到了最大程度的降低,板面空间占用实现了最小化,还能让静态电流消耗最小化,因而可以大大延长电池使用时间和其寿命。
|
5.
VCORE转换器驱动器的内置与外置
立锜有许多VCORE Buck控制器使用了内置的MOSFET驱动器,将它们集成化可以降低器件数量,缩小板面空间的占用,但有时候保持驱动器的外置也有好处,可在Buck控制器和功率级之间的距离比较远时表现出优势,避免使用较长的MOSFET驱动信号路径,使得信号的完整性不至于恶化。
|

图16:MOSFET驱动器的内置与外置
|
图16所示的是一个3相Buck控制器的例子,它含有两个内置的驱动器,还有一个驱动器外置。这样的配置带来很大的灵活性,当无需使用三个相时,第3相可以禁止不用,仅使用内置了驱动器的两相即可。
遇到需要3相的应用时,可将控制器和内置了驱动器的两相的功率级靠近放置,剩下的第3相就可以只要将信号PWM3连接到远处的外置驱动器上即可,而该驱动器可以放在紧靠功率级电路的地方。
|
图17所示的PCB布局图是一个为APU供电的转换器,它含有两个输出。给CPU内核供电的是3相转换器,其中2相的驱动器是集成化了的;给GPU内核供电的是2相转换器,其中1相的驱动器是集成化了的。该转换器的引脚定义针对该APU进行了优化,可将集成化了的驱动器和其功率级之间的路径设计最优化。

图17:VCORE转换器内外置驱动器及其设计实例
6.
立锜的VCORE转换器设计工具和评估装置
由于VCORE转换器的设计非常复杂,其外围元件的设计过程非常花费时间。为了帮助设计者缩短其时间耗用,立锜为每颗VCORE转换器都提供了Excel格式的设计工具。
这些设计工具都含有一个名为Parameter_Core的参数输入页,用户可在这里指定特定的平台和CPU需求。计算所得的外围元件参数在Loop_Core页面可以看到,这些参数包括诸如Ton数据、电流检测网络参数、负载线参数、误差放大器补偿元件参数、各端子设定元件参数、热补偿和保护参数等。假如设计所用的是APU转换器,针对CPU和GPU的页面就是分开的。
图18所示的是一个针对IMVP8 APU的设计工具例子,用于Intel Caffee Lake平台。

图18:立锜提供的VCORE转换器设计工具样板
立锜VCORE转换器评估板的设计都是与具体的CPU插座直接对应的,它们都通过了全面的测试以符合Intel或AMD的测试规范。我们强烈建议按照评估板的设计选用你的输出电容器和电感器,因为它们对于符合VCORE电源的需求是非常关键的。
图19:立锜设计的VCORE转换器评估板样板
7.
立锜VCORE转换器解决方案的选择方法
立锜针对Intel和AMD的平台提供了大量的VCORE控制器产品,图20算是一个概览。

图20:立锜VCORE产品概览
针对Intel CPU的VCORE转换器
Intel CPU可以分为两类:一种以ATOMTM为基础,一种以iCORETM为基础。
以ATOMTM为基础的CPU是针对便携式、小尺寸、低功率应用的网络电脑、平板电脑和工业电脑的,其平台名称有Braswell、Apollo Lake 和 Gemini Lake等。
以iCORETM为基础的CPU是针对高性能应用如笔记本电脑、台式电脑的,其平台名称有Sky Lake、Kaby Lake 和 Coffee Lake等。
不同代际的Intel CPU使用了不同的串行通讯协议,较老的Braswell CPU使用VR12.1协议,较新的则使用IMVP8TM或IMVP9TM,有的ATOMTM平台则使用I2C接口。
在立锜官网的VCORE selection page上,只要输入Intel CPU的规格、平台名称和插座规格即可找到与之相配的立锜VCORE转换器产品型号;在Intel VCORE Solutions page页面上可以找到针对不同Intel平台的电源系统框图;想对立锜的VCORE转换器产品和解决方案有个鸟瞰的读者可以下载Richtek VCORE product selection list。
针对AMD CPU的VCORE转换器
AMD的CPU同样可以分为针对便携式应用的低功率产品和高性能产品两类。针对低功率便携式应用的平台包括Kabini、Carizo-L、Stoney Ridge、Raven等。针对高性能台式应用的平台包括Keveri、Godiveri、Bristol Ridge、Summit Ridge等。
AMD的CPU平台名称也可根据CPU插座类型分为FT3、FP4、FP5、FM2+、AM4等。
AMD CPU所使用的串行通讯接口被称为SVI2。
在立锜官网的VCORE selection page页面上输入AMD CPU的规格、平台名称和插座规格即可找到对应的VCORE产品型号资料,想对立锜的VCORE转换器产品和解决方案有个鸟瞰的读者可以下载Richtek VCORE product selection list。
为什么找不到某些产品的信息?
当你找不到某个特定的VCORE转换器的相关资料时,这是因为它是在和Intel/AMD的合作中开发出来的,基于保守秘密的缘故,立锜不能在网络上公开它们。如果你在应用中需要某特定型号产品的信息,或是要为特定的CPU平台找到最佳的电源解决方案,请与你附近的立锜业务窗口联系。